無料相談・無料お見積りはコチラから 友だち追加 問い合わせフォームへ

下町のアクリル加工屋 直売店

0
¥0

現在カート内に商品はございません。

0
¥0

現在カート内に商品はございません。

年内発送受付22日(月)8:59まで/年末年始休業のお知らせ 詳しくはこちら

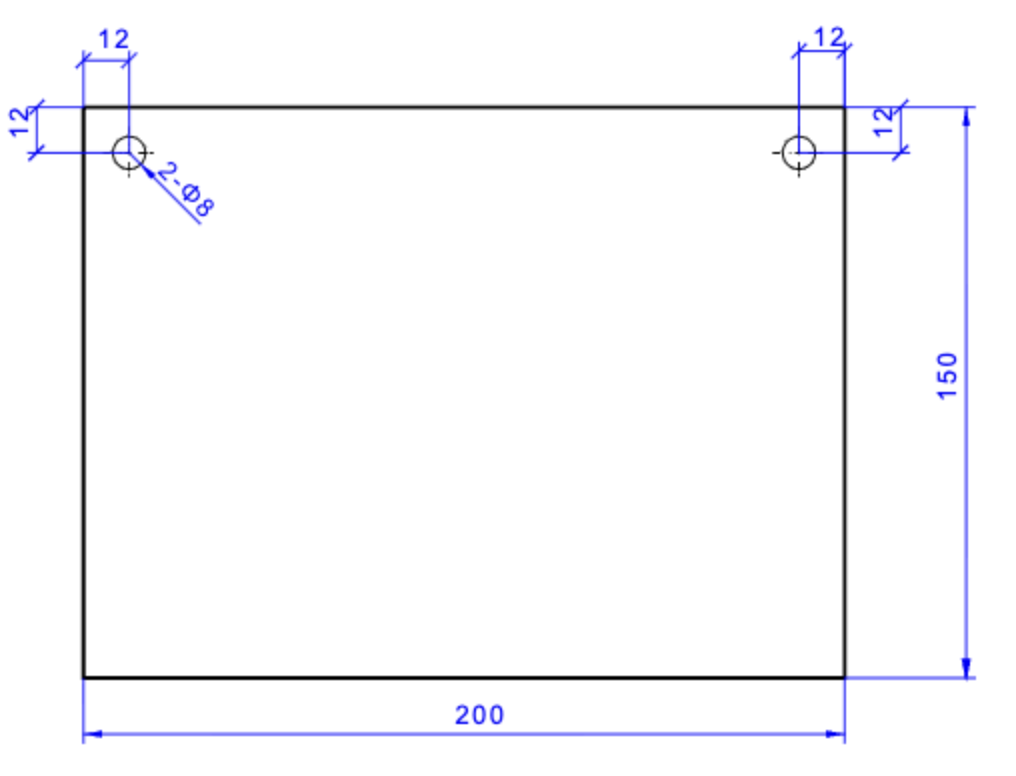
(オーダー)アクリル白色艶あり(押出)3mm厚・150x200mm×40枚

¥14,080 税込

オプション価格:¥  

●アクリル白色艶あり(押出)3mm厚
(ノコ)150x200mm×40枚
(穴あけ:直径8mm穴、板端より12mm内×2箇所)
-----------------------------
(1)150x200mm@170円×40枚=6,800円
(2)穴あけ(8φ×2)@75円×2箇所×40枚=6,000円
小計 12,800円
(税込 14,080円)
+送料 1,210円(税込)
-----------------------------
数量

カートに追加しました。
カートへ進む
お買い得情報 Akuriru Zanmai
ご利用ガイド guid

アクリルざんまい

アクリルざんまいはサイト掲載以外のアクリル加工もご対応いたします。
手書きのイメージ図や設置場所のお写真をお送りください。 akuriru-zanmai@kurihara-kakou.co.jp
アクリルざんまいの担当者より折返しご連絡いたします。

アクリルざんまい お問い合わせ事例

お客さまより手書き図面やデータをご送付いただき作らせていただいた商品です。
ペットサークル、アクリルショーケース、イベント用アクリルパーテーションなどオリジナル商品のご相談を様々承ります。



商品カテゴリ

ページトップへ